當前位置: 滾珠絲桿網 ? 3205滾珠絲杠 ? SFI3205滾珠絲杠
SFI3205滾珠絲杠
雷研精密傳動設備有限公司供應SFI3205滾珠絲杠【貨源充足、價格合理、原裝正品、品牌齊全】請需要SFI3205絲杠的朋友聯系:黃志杰(經理)? 聯系電話:15802034588。
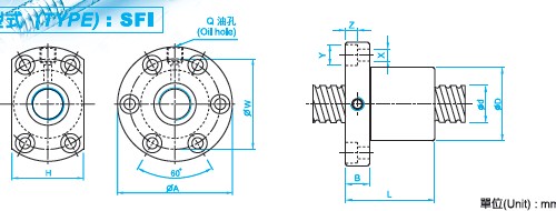
SFI3205滾珠絲桿參數
型號:SFI3205
絲桿外徑:32
導程:5
珠徑:3.175
螺母外徑:46
法蘭直徑:72
法蘭的厚度:12
螺母的長度:52
安裝孔之間的距離:58
法蘭的寬度:52
珠圈數:1×4
動額定負荷:1922
靜額定負荷:6343
剛性:52。
【滾珠絲杠螺母】
??? 滾珠絲杠和滑動絲杠相比具有摩擦小、傳動效率高;傳動靈敏,不易產生爬行;定位精度高;磨損小、壽命長、精度保持好等優點。缺點是:不能自鎖,用于升降傳動時需另加自鎖機構;結構復雜,成本高。
瀏覽SFI3205滾珠絲杠的用戶還會?
DFU3205滾珠絲杠、SCI3205滾珠絲桿等。
滾珠絲杠討論①群263545937(專家在線為你解答)歡迎你的加入!
版權所有 © 轉載時必須以鏈接形式注明作者和原始出處!


