當前位置: 滾珠絲桿網 ? 1604滾珠絲杠 ? SFI1604滾珠絲杠
SFI1604滾珠絲杠
雷研精密傳動設備有限公司供應SFI1604滾珠絲杠【貨源充足、價格合理、原裝正品、品牌齊全】請需要SFI1604滾珠絲杠的朋友聯系:黃志杰(經理)? 聯系電話:15802034588。
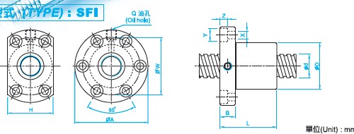
SFI1604滾珠絲桿參數
型號:SFI1604
絲桿外徑:16
導程:4
珠徑:2.381
螺母外徑:30
法蘭直徑:49
法蘭的厚度:10
螺母的長度:45
安裝孔之間的距離:39
法蘭的寬度:34
珠圈數:1×4
動額定負荷:973
靜額定負荷:2406
剛性:32。
圖紙下載:SFI1604滾珠絲杠圖紙PDF
【SFI1604滾珠絲杠減少運動件的摩擦阻力】
減少絲杠傳動和工作臺運動導軌的摩擦,以消除低速進給“爬行”現象,提高整個伺服進給系統的穩定性。在數控銑床上廣泛采用滾珠絲杠和滾動導軌以及塑料導軌和靜壓導軌等
瀏覽SFI1604滾珠絲桿的用戶還會?
DFU1604滾珠絲杠、SCI1604滾珠絲桿等。
滾珠絲杠討論①群263545937(專家在線為你解答)歡迎你的加入!
版權所有 © 轉載時必須以鏈接形式注明作者和原始出處!



