當前位置: 滾珠絲桿網 ? 4005滾珠絲桿 ? SCI4005滾珠絲桿
SCI4005滾珠絲桿
雷研精密傳動設備有限公司供應SCI4005滾珠絲桿【貨源充足、價格合理、原裝正品、品牌齊全】請需要SCI4005滾珠絲杠的朋友聯系:黃志杰(經理)? 聯系電話:15802034588。
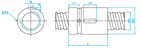
SCI4005滾珠絲杠參數
型號:SCI4005
絲桿外徑:40
導程:5
珠徑:3.175
螺母外徑:56
螺母的長度:45
珠圈數:1×4
動額定負荷:2110
靜額定負荷:7988
剛性:59。
【滾珠絲杠副精度】
??? 據JB 31622–1982標準,我國滾珠絲杠副根據使用范圍和要求分為六個精度等級,即C、D、E、F、G、H級。C級精度最高,依次逐級降低,而JB 31622–1991分為1、2、3、4、5、7、10共七個等級,1級最高,依次遞減。據使用范圍,又可分為定位P類和傳動T類。
瀏覽SCI4005滾珠絲桿的用戶還會?
DFS4005滾珠絲杠、SFU4005滾珠絲杠等!
滾珠絲杠討論①群263545937(專家在線為你解答)歡迎你的加入!
版權所有 © 轉載時必須以鏈接形式注明作者和原始出處!


